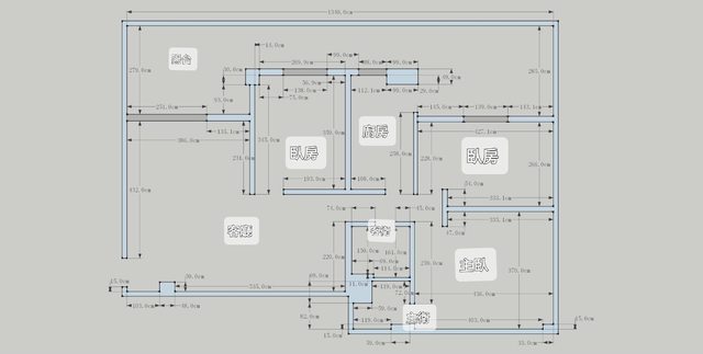
如題 中古屋30年,想把基本設施翻修讓自己住的舒服點。 https://i.imgur.com/YPDPoIP.jpg
格局不打算動 1.地板全室SPC 2.廚房兩間浴室翻新 3.水電更新,每間房間和廚房110V和220V獨立迴路,浴室也增加220V。 4.全室油漆 5.燈具更換 6.房門門片更換 7.主臥的窗戶更換成氣密窗 考慮天花板平釘、玄關櫃和電視牆 沒有漏水問題,原有天然氣管線,冷氣每個房間都有變頻冷氣,兩台非冷暖空調,是前屋 主 留下。 油漆部分有認識的親戚,而且好像有接裝潢統包,應該有機會便宜一點 問題: 1.冷氣要利用裝潢更換成冷暖嗎?還是後面再處理就好 2.傢俱不算,裝潢沒有要很高級,總價錢大概粗抓多少比較好 3.這些工程大概要多久? 提前買新家具,冰箱、淨水器,裝潢時會很麻煩嗎? 我陽台滿大的,有採光罩跟氣密窗封住,暫時放置可以嗎? -- ※ 發信站: 批踢踢實業坊(ptt-site.org.tw), 來自: 42.72.134.187 (臺灣) ※ 文章網址: https://ptt-site.org.tw/home-sale/M.1695273625.A.7FA
icexice: 千萬不要找親戚,認識的最貴,而且做爛了很難要求09/21 13:25
letgo999: 陽台蠻大的 玩累可以直接睡嗎?09/21 13:26
icexice: 冷氣當然是裝潢時一起處理09/21 13:26
icexice: 其實你就去pulo找3家統包來估一下,多少錢大概就有底了09/21 13:28
ice1015: 裝璜後家電家具再進去吧,不然滿滿的灰......09/21 13:42
Apasiri: 這個包養網正妹好多 是真的嗎09/21 13:42
prostar: 老爸的弟弟不就是叔叔嗎?09/21 13:43
prostar: 真的不要,真的會搞到不相往來09/21 13:44
y30103123: 聽叔叔的,這樣做比較好!09/21 13:46
y30103123: 找親戚最後不要後悔就好09/21 13:46
ice1015: https://i.imgur.com/A3uVhua.jpg09/21 14:00
litidi: 真的有這麼多人在找包養09/21 14:00
ice1015: 你參考看看,剛翻完廁所後油漆進場,那桌面跟地面滿滿的 09/21 14:00
ice1015: 灰 09/21 14:00
eett811025: 不急的話傢俱等後面買吧 買進去施工粉塵又要保護傢俱 09/21 14:02
eett811025: 很麻煩09/21 14:02
Marcuslin: 油漆其實自己來又可以省一點 就跟叔叔買油漆DIY也行09/21 14:38
Merzario: 有人可以分析一下包養平台的差異嗎09/21 14:38
Yasu: 簡單做120上下吧 09/21 14:49
andy2541: 沒動格局,你要做的項目簡單用大概80,不含家具家電09/21 15:03
zzz50126: 絕對不先買 工期會拖好幾個月 能照預期完工的是少數 09/21 15:13
childeviler2: 還要加上保護梯廳 09/21 15:45
BMW740Li: 預算沒有100萬,買一買家具就好了 09/21 16:36
Muzaffer: 那個包養網人最多XD 09/21 16:36
BMW740Li: 老屋費用多一倍,至少要拉到200萬 09/21 16:37
CIIIO: 地板5萬 浴室15萬×2 水電5萬 燈具+門片5萬 廚房10萬 木工1 09/21 18:22
CIIIO: 0萬 氣密窗沒做過不知道 你還要考慮窗簾 09/21 18:22
CIIIO: 這邊都是用料最普通的情況下 要ToTo/Krontex/櫻花預算×2 09/21 18:24
nitero: 這樣 150 絕對跑不掉 剩下的看細節 09/21 19:32
MIJice: 我妹上包養網被我發現= = 09/21 19:32
nitero: 啊是 30 年老屋 你抓兩百吧 09/21 19:33
chrisdddd: 我室內30坪 客廳鞋櫃玄關櫃電視櫃衣櫃書桌櫥櫃電器櫃每 09/22 06:19
chrisdddd: 個都很大34萬 09/22 06:20
chrisdddd: 全室spc 用稍微好一點的 大概五萬多 09/22 06:21
chrisdddd: 廁所兩間 用比較好大概24萬 09/22 06:21
SpyTime: 隔壁桌的人竟然在討論包養... 09/22 06:21
chrisdddd: 房間換實木門一片2200+500工錢 09/22 06:32
chrisdddd: 全室窗戶包新框換新窗戶,沒有氣密2萬多。 09/22 06:34
chrisdddd: 換新大門 17000+500工錢 09/22 06:35
chrisdddd: 裝潢完再買東西 09/22 06:36